产品尺寸要求:


站脚尺寸要求:
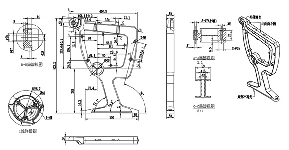
写字板链接处与铝合金站脚一体压铸成型,使写字板更加牢固耐用,需提供铝合金站脚小样一个。
技术要求:
1.座宽(扶手中对中):580mm,座椅总高:990±10mm,座高:450±10mm。座椅深度:823±10mm,扶手高662±10mm:最小排距:900mm。
2.写字板:面板为ABS复合材料经模具一次成型,厚度为9±2mm,转轴采用特有的定位装置,支撑旋转结构为锌合金压注成型。长度为360±2mm,宽度为280±2mm。扶手盖和写字板向上倾斜6.5度保证书写舒适自然状态。
3.面料采用高档针织面料,并经防静电、防蛀处理,手感舒适,长时间使用无皱褶、断裂、起球、褪色现象。
4.座椅泡绵均为聚氨酯冷发泡高回弹定型海绵,座海棉尺寸:座海绵:采用高密度冷发泡PU定型海棉。座海棉长度为480±10mm,宽度为475±5mm,高度为140±10mm,海棉密度为40-55KG/M3。背海棉尺寸:背海绵:采用高密度冷发泡PU定型海绵,上背海棉长度为480±5mm,宽度为300±5mm,高度为100±5mm,下背海棉长度为480±5mm,宽度为450±5mm,高度为100±5mm,海棉密度为35-45KG/M3。强度高,回弹性好,独特配方,使泡绵具有抗菌性,能有效杀灭大肠杆菌等病菌。
5.座椅扶手为铝合金模具高温一次性压铸成型,阴极电泳(黑)后表面再精抛光,重量2.9KG。
6.座背外板:背外板:采用优质高密度硬木多层板,经模具冷压注成型,不褪色,抗变型。上背外板规格:长度为490±2mm,宽度为285±2mm,厚度为15mm,下背外板规格:长度为490±2mm,宽度为425±2mm,厚度为15mm。背内板:采用优质夹板经模具压弯成型。外型成弧型,美观大方,具有曲线美。上背内板尺寸规格:长度为420±2 mm,宽度为265±2mm,厚度为6 mm,下背内板尺寸规格:长度为420±2 mm,宽度为405±2mm,厚度为6 mm。座铁框:采用优质钢板经冲压焊接成型,海绵接触面焊接5条S形蛇簧,保证椅座舒适有弹性。尺寸规格:长420±2mm,宽度为410±2mm,高度为56±2mm。
7.座包采用阻尼回复机构,座包回复碰撞部位增加橡胶垫防撞降噪,使座包打开无噪音,回复缓慢无冲击性撞击。
8.座椅站脚:脚管采用优质方管,脚筒为优质钢板,经模具压制后用二氧化碳焊接成型,外形为单脚下通风结构装置,表面经过除锈、清洗、氧化、烘干、静电、高温、静喷亚光黑处理,尺寸规格:长度为495±2mm,宽度为285±2mm,高度为300±2mm。
9、座椅固定方式采用隐藏式压爆螺丝固定地面,外观特别设计塑料防尘盖,保证椅脚平滑美观的同时防止积尘,便于清洁。








